關於凱國
產品資訊
Sandvik Coromant - 瑞典山特維克可樂滿金屬切削刀具
WTO - 德國WTO動力刀座
Hainbuch - 德國瀚柏格夾具
eromobil - 德國可攜帶式放電加工機
Steidle - 德國油霧潤滑系統
Hexagon - 瑞典海克斯康量測系統
Louis Belet - 瑞士LB特殊切削刀具
BTA - 英國BTA深孔切削刀具
TBT - 德國TBT深孔鑽
最新消息
活動花絮
影片專區
Sandvik Coromant-瑞典山特維克可樂滿金屬切削刀具
WTO-德國WTO動力刀座
Steidle-德國油霧潤滑系統
eromobil-德國可攜帶式放電加工機
聯絡我們
免費諮詢
關於凱國
產品資訊
最新消息
活動花絮
影片專區
聯絡我們
Back
Sandvik Coromant-
瑞典山特維克可樂滿金屬切削刀具
Back
旋轉刀具
Back
銑削
鑽削
攻絲
鏜削
鉸削
接柄
車削刀具
Back
普通車削
螺紋車削
多功能刀具
車削接桿
切斷與切槽
備件
WTO-
德國WTO動力刀座
Back
QuickFlex
VDI動力刀座
VDI固定刀座
Coromant Capto速換刀座
日系機床動力刀座
Back
mazak動力刀具
Miyano 動力刀座
DMG MORI動力刀具
okuma動力刀具
Star 動力刀座
Takisawa 動力刀座
nakamura動力刀具
德系機床動力刀座
台製機床動力刀座
Back
程泰Goodway
台中精機Victor
永進機械 YCM
台灣麗偉 Leadwell
韓製機床動力刀座
刀盤製造廠
CoolSpeed 高轉速單元
特殊功能動力刀座
Hainbuch-
德國瀚柏格夾具
Back
卡盤
芯軸
反漲心軸
加工中心夾具
快換模塊
快換系統
測量技術
eromobil-
德國可攜帶式放電加工機
Steidle-
德國油霧潤滑系統
Hexagon-
瑞典海克斯康量測系統
Louis Belet-
瑞士LB特殊切削刀具
BTA-
英國BTA深孔切削刀具
TBT-
德國TBT深孔鑽
Back
Sandvik Coromant-瑞典山特維克可樂滿金屬切削刀具
WTO-德國WTO動力刀座
Steidle-德國油霧潤滑系統
eromobil-德國可攜帶式放電加工機
首頁
產品資訊
德國WTO動力刀座
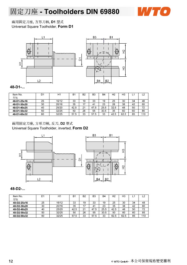
VDI固定刀座
兩用刀座
兩用刀座
兩用刀座
產品簡介:
方形刀柄用D1-D2
回列表
免費諮詢